Charnière J95 sans ressort recouvrement complet

PEN-J95CRNI

Cette charnière dissimulée robuste J95 est la quincaillerie parfaite pour les armoires et les portes épaisses.

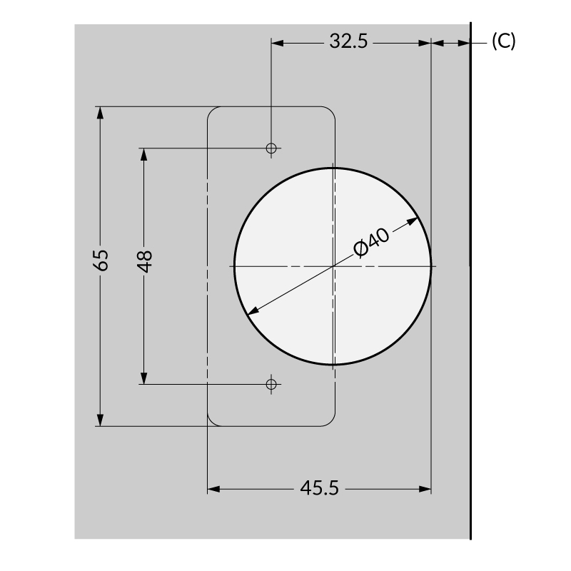
• Application : porte standard • Recouvrement complet • Angle d'ouverture : 93° • Sans ressort • Fixation : vis à bois • Plan de perçage : 48 / 12.5 mm • Diamètre de perçage de la tête : 40 mm • Profondeur de perçage : 15 mm • Distance du boîtier : 3 à 8 mm • Épaisseur de porte : 18 à 34 mm • Recouvrement: 20 à 25 mm • Réglage 3D • Fini : nickelé *Si l'épaisseur de la porte est supérieure à 30 mm (1-3/16"), la porte devra avoir un chanfrein.
Avec sa capacité de charge élevée, le J95 peut soutenir des portes extrêmement large. Avec son ajustement 3D, cette charnière est un plus à avoir dans son inventaire!v

Produits connexes

Image Plaque charnière J95
PLA-J95NI
Plaque charnière J95