Bras coffre Aileron haute capacité

BRA-ARN2HS

Ce bras est parfait pour l'assistance au levage d'ouverture par le haut. Sa fermeture avec amortisseur et arrêt libre en font un outil convivial.

L'élégant système Aileron est sophistiqué par sa belle fonctionnalité et le minimum de quincaillerie requis. Il crée des mouvements continus avec une vitesse de fermeture réglable.
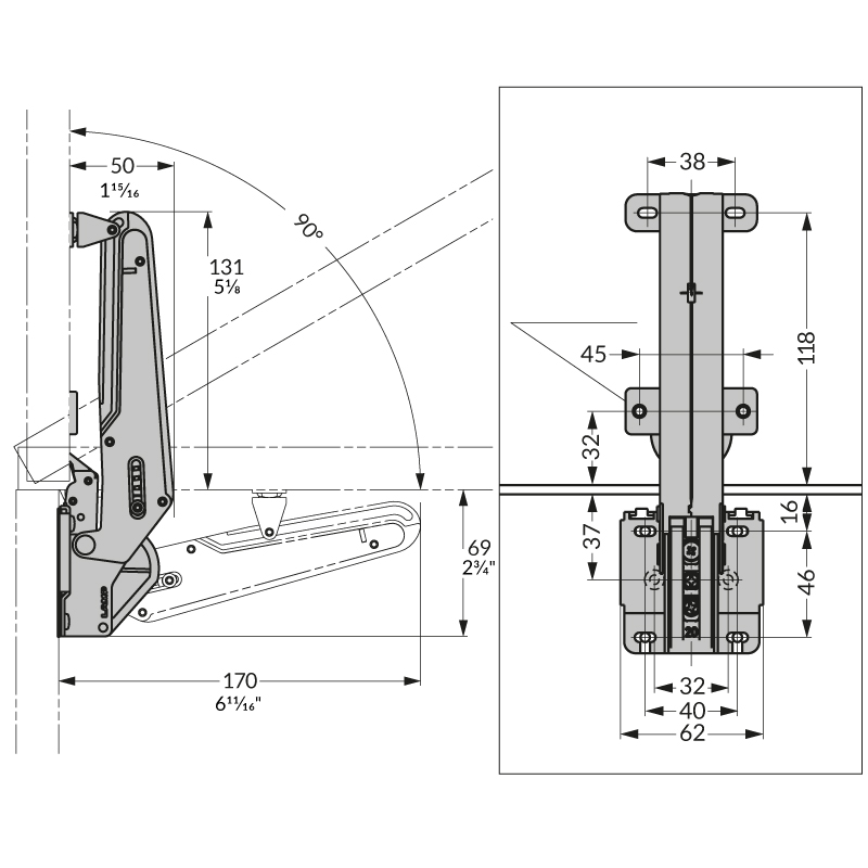
• Angle d'ouverture: 90°
• Fermeture amortie et ajustable
• Tension d’ouverture ajustable et fonction reste en place
• Plan de perçage : 45 / 9.5 mm • Hauteur de porte : 200 à 606 mm (7-7/8" à 23-7/8")
• Épaisseur de porte: 15 à 22 mm (9/16" à 7/8")
• Tension de couple kg-cm: 61.2 à 81.6 (53.1 à 70.8 lb-in) Charnières incluses Calcul du torque (lb-pouce): Hauteur de la porte (pouces) x 0.5 x poids (lb).