Recessed invisible hinge,180 degrees opening, brushed nickel

PEN-SUE180-BN

Toolbox

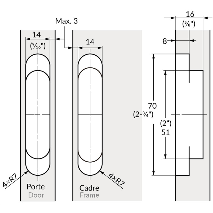
The HES concealed hinge allows 180 ° opening for an inset door. With its easy installation and adjustment, this hinge will charm you!

• 3-way adjustment function allows vertical, horizontal and depth adjustment after installation. • For 3/4" (19 mm) minimum panel thickness. • 180° opening • Door weight: Max. 9 kg (19.8 lbs) / 2 hinges, 12 kg (26.4 lbs) / 3 hinges • Door and frame thickness: Minimum 19 mm (3/4") • Max. door size: H 1200 mm × W 600 mm (47-1/4"× 23-5/8") • Hex key for adjustments included
The design of the HES hinge allows it to be adjusted vertically, horizontally and in depth. With the flat head screws and caps included, this hinge is discreet and sophisticated!